HCP-S type Centrifugal Pumps - The TSC Highlight™ centrifugal pump includes HCP, HCP118, HCP178, HCP2500, HCP-S, HCPG and PF type.
The HCP-S line of centrifugal pumps includes all the abrasive-fluid handling features of the HCP type pump line. Compared to the HCP type pump, the frame and shaft have been shortened to 4 in to reduce the length of the pump.
HCP-S type pumps are more compact in design and can be adapted for hydraulic motor drive. That makes HCP-S type pumps ideal for use in applications such as oilfield frac trucks as well as blending and pump charging for water well drilling.

1. Localized service through a Global Network
2. Maintenance/Repair Service
3. Unitized Pump Package with Diesel or Electric Drive
4. Complete Pump Refurbishment
5. 24x7x365 Technical Support
6. Designs the drawings and BOM based on the technical agreement
7. Full-load operation test for every product
8. Customized Solutions - Tailored integration for new builds or retrofits.
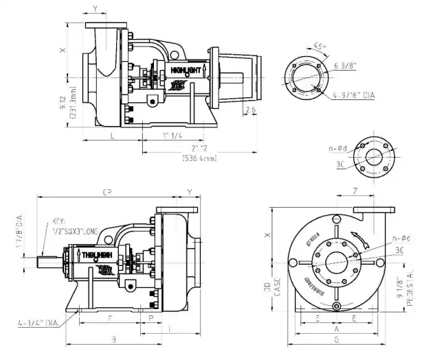
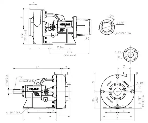
1. HCP-S type centrifugal pumps are heavy-duty pumps. The 3×2×13 through 8×6×14 pumps feature the same power end, which ensures production and reduced spare part inventory requirements.
2. Standard models are equipped with a heavy duty 2½ in. alloy steel shaft protected from wear by a stainless steel shaft sleeve, double row outboard bearings, and inboard roller bearings.
3. HCP-S type pumps are rated for continuous service in applications up to 200 hp and are available in hard iron, and high chrome with capacities up to 3,400 gal/min and pressure head up to 550 ft. Some sizes are offered with a counterclockwise rotation giving the user more flexibility.
4. The pump power frame is fitted with an optional outbound bearing capable of accepting hydraulic motor adapters for SAE sizes B, C, and D hydraulic motor mounts.
5. Open impeller design to lower axial thrust load and equipped with an impeller retention bolt to eliminate damage in a reverse run. Wide vane impellers allow for improved fluid flow dynamics and high fluid volume.
6. Offered with a mechanical seal or packed option.
7. Available in hard iron, aluminum bronze, high chrome, and stainless steel to accommodate a variety of applications.
8. Single-piece casing.
9. Oil lubrication for bearings is available upon request and recommended for pump speeds more than 2400 RPM.

|
Pump |
Inlet Flange(inches) |
Outlet Flange(inches) |
Dimensions are in inches |
|||||||||||||||||
|
Size |
DN |
n |
d |
BC |
DN |
n |
d |
BC |
A |
B |
E |
F |
G |
L |
P |
X |
Y |
Z |
CP |
DD |
|
3x2x13 |
3 |
4 |
3/4 |
6 |
2 |
4 |
3/4 |
4 3/4 |
15-1/4 |
17-3/4 |
6-9/16 |
11-1/4 |
17-7/8 |
10-7/16 |
4 |
10-1/4 |
3-3/4 |
7 |
25-1/16 |
8-15/16 |
|
4x3x13 |
4 |
8 |
3/4 |
7 1/2 |
3 |
4 |
3/4 |
6 |
15-1/4 |
17-3/4 |
6-9/16 |
11-1/4 |
17-7/8 |
11-1/16 |
4 |
10-1/4 |
4-1/4 |
6-3/4 |
25-1/8 |
8-15/16 |
|
5x4x14 |
5 |
8 |
7/8 |
8 1/2 |
4 |
8 |
3/4 |
7 1/2 |
15-1/4 |
17-3/4 |
6-9/16 |
11-1/4 |
19 |
12-7/16 |
4 |
11 |
5 |
6-1/8 |
25-13/16 |
9-1/2 |
|
6x5x11 |
6 |
8 |
7/8 |
9 1/2 |
5 |
8 |
7/8 |
8 1/2 |
15-1/4 |
17-3/4 |
6-9/16 |
11-1/4 |
17-7/8 |
13-3/4 |
4 |
11 |
5-3/4 |
6 |
26-3/8 |
8-15/16 |
|
6x5x14 |
6 |
8 |
7/8 |
9 1/2 |
5 |
8 |
7/8 |
8 1/2 |
15-1/4 |
17-3/4 |
6-9/16 |
11-1/4 |
21 |
13-3/4 |
4 |
11 |
5-3/4 |
6 |
26-3/8 |
10-1/2 |
|
8x6x11 |
8 |
8 |
7/8 |
11 3/4 |
6 |
8 |
7/8 |
9 1/2 |
15-1/4 |
17-3/4 |
6-9/16 |
11-1/4 |
20 |
14-15/16 |
4 |
14 |
6-1/4 |
8-3/8 |
27-1/16 |
10 |
|
8x6x14 |
8 |
8 |
7/8 |
11 3/4 |
6 |
8 |
7/8 |
9 1/2 |
15-1/4 |
17-3/4 |
6-9/16 |
11-1/4 |
23-9/16 |
14-15/16 |
4 |
14 |
6-1/4 |
8-3/8 |
27-1/16 |
11-13/16 |
|
10x8x14 |
10 |
12 |
1 |
14 1/4 |
8 |
8 |
7/8 |
11 3/4 |
15-1/4 |
17-3/4 |
6-9/16 |
11-1/4 |
22-3/8 |
15-3/8 |
4 |
14-3/16 |
6-11/16 |
8 |
27-1/16 |
11-13/16 |

For more product information about HCP-S type Centrifugal Pumps, please leave a message below.